CM3 series 3 position 2 way pneumatic control mechanical valves CM3B CM3R CM3L CM3PF CM3PP CM3PM CM3PL CM3HS
Order Code
Symbol

Technical parameter
Item No.
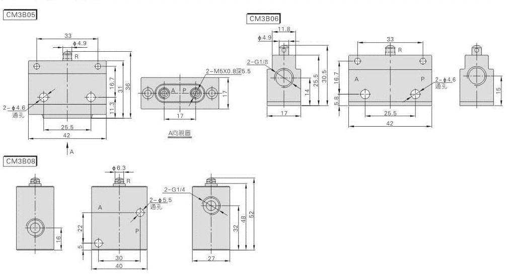
CM3□-05
CM3□-06
CM3□-08
Fluid
Air
Operation type
External control
Pressure range
0-1.0 Mpa
Proof pressure
1.5Mpa
Ambient and fluid temperature
-20 to 70℃
Valve type
3 port 2 position
Port size
M5*0.8
1/8”
1/4”
Orifize size
2.0mm2
2.5mm2
15.0mm2
Cv value
0.11
0.14
0.84
Dimension



Feature
Airtac replacement CM3 manual mechanical valves are 3 way valves and are available with M5 ports 1/8 ports, or 1/4 ports.
A variety of manual and mechanical operators allow the CM3 series to be used as limit valves or to manually control circuit operation.
The non-threaded exhaust port allows the CM3 valves to be very compact in size. In addition to the wide range of manual actuators including large shrouded palm buttons.










